PL62003 是一款高效的同步雙向升降壓充電器,集成了快速充電協議。它是一個功能全面且靈活的升降壓充電器平臺,專為大多數帶有 Type-C 端口并支持 PD 協議的快速充電應用而設計。它可以被編程設置為降壓充電、升壓充電或升降壓充電模式。 PL62003 提供 I²C 接口以便與MCU通信,為電池和總線端子提供高壓檢測功能,能精確地對電池電流、總線電流以及多達 4 個 USB 端口的電流進行電流檢測。它還為所有 USB 端口的 CC1、CC2、DP、DM 通信信號提供高壓隔離。PL62003 可以與通用的MCU協同工作,為各種快速充電應用,如移動電源、電池組或便攜式儲能電源等,提供一個完整、強大且靈活的升降壓充電系統。
產品特征:
>集成 PD3.1、QC3.0、AFC、SCP、FCP、BC1.2 協議,實現雙向升降壓充放電功能
>支持PD3.1協議的雙角色轉換
>內置充電管理功能,涵蓋涓流充電、恒流充電、恒壓充電以及充滿停止等功能
>VBUS和 VBAT的工作電壓范圍寬廣,最高可達32V
>支持多達 4 個端口(C1 端口、C2 端口、B 端口、A 端口)的插拔檢測
>支持對每個端口進行過流和過壓保護
>支持 1 節至 6 節電池的充電管理
>支持 4.2V 和 3.5V 電池的充電
>可編程開關頻率為 150KHz 和 300KHz
>內置12-bit DAC 可確保電流以10mA的步徑設置
>內置12-bit DAC 可確保輸出電壓以5mV的步徑設置
>可編程線纜壓降補償
>集成多達五個 USB 端口的N-Gate驅動器
>外部可通過VMON 引腳檢測電池端、BUS端以及各個端口端的電壓和電流等信息
>集成DC-DC轉換器的各種保護功能
>當BUS電壓與電池電壓接近時,可設置直通
>內置I²C接口可與外部MCU通信
>LDO可為MCU供電
>采用 QFN5X5-48 封裝
典型應用場景
● 移動電源
● 電池組
● 鋰離子電池充電器
● 便攜式設備
● 通用快速充電設備
● 智能USB插座
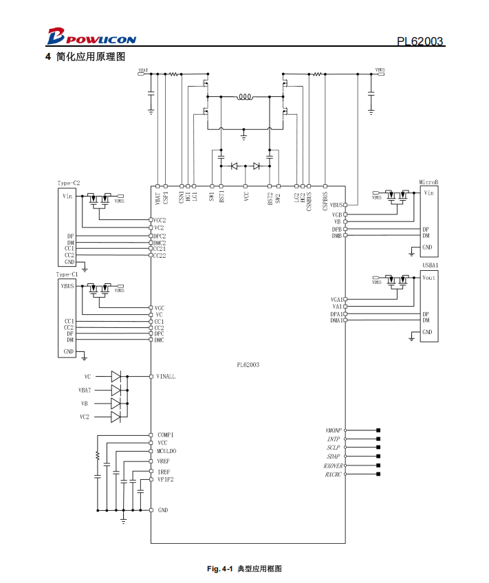
應用原理圖
﹏﹏﹏﹏﹏﹏﹏﹏﹋﹋﹋﹋﹋﹋﹋﹏﹏﹏﹏﹏﹏﹏﹏
寶礫微代理商、可為終端客戶提供樣品測試 以及相關技術咨詢。
如需更多系列型號、歡迎聯系咨詢。
吳R:19928734273【微同步】